导伟德官网app下载安装手机版厂家-1946bv1946伟德手机版

1946伟德

咨询热线:0792-8321553

传真号码:0792-8984000-0806

QQ号码:3347075052

电子邮箱: ingiant@163.com

地 址:江西省九江市九江经济技术开发区汽车工业园电子产业园1号厂房

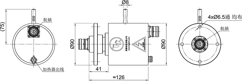
上海电气1.25MW风伟德官网app下载安装手机版
您的位置:主页 > 1946伟德 > 1946韦德网站 >
prevnext

上海电气1.25MW风伟德官网app下载安装手机版

  • 技术参数:17环24VDC/2A,24VDC/5A,防护等级IP65 替换STEMMAMM滑环
  • 咨询热线:0792-8321553
  • 产品详情

 

技术参数:17环24VDC/2A,24VDC/5A,防护等级IP65
替换STEMMAMM滑环

咨询:上海电气1.25MW风伟德官网app下载安装手机版

Baidu
map